Land/Building » Kansai » Kyoto » Sakyo


Kyoto, Kyoto Prefecture Sakyo-ku
Subway Karasuma Line "Matsugasaki" walk 12 minutes
No construction conditions! Please build a house in your favorite House manufacturer!
Current, Monthly garage. On top of the cancellation of the garage contract, You delivery in the current situation.
Features pickup
Super close / A quiet residential area / Or more before road 6m / Shaping land / No construction conditions / Flat terrain / Readjustment land within
Price
46,700,000 yen
Building coverage, floor area ratio
Fifty percent ・ 80%
Sales compartment
1 compartment
Total number of compartments
1 compartment
Land area
123.51 sq m (37.36 tsubo) (measured)
Driveway burden-road
Nothing, West 6m width (contact the road width 5.7m)
Land situation
Vacant lot
Address
Kyoto, Kyoto Prefecture Sakyo-ku Shimogamotakagi cho
Traffic
Subway Karasuma Line "Matsugasaki" walk 12 minutes
City bus "stop Shimogamohigashihon town" walk 2 minutes
Related links
[Related Sites of this company]
Contact
(Ltd.) Sawada house TEL: 075-492-0397 Please inquire as "saw SUUMO (Sumo)"
Land of the right form
Ownership
Time delivery
Consultation
Land category
Hybrid land
Use district
One low-rise
Other limitations
Height district, Quasi-fire zones
Overview and notices
Facilities: Public Water Supply, This sewage, City gas
Company profile
<Mediation> Governor of Kyoto Prefecture (8) No. 006950 (Ltd.) Sawada housing Yubinbango603-8112 Kyoto, Kyoto Prefecture, Kita-ku, KoyamaHajime cho 15-3


Local land photo

Local land photo. Local (12 May 2013) Shooting
Local (12 May 2013) Shooting

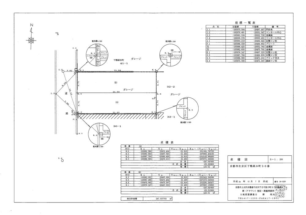
The entire compartment Figure

The entire compartment Figure. Compartment figure
Compartment figure

Compartment figure

Compartment figure. Land price 46,700,000 yen, Land area 123.51 sq m survey map
Land price 46,700,000 yen, Land area 123.51 sq m survey map

Local photos, including front road

Local photos, including front road. Local (12 May 2013) Shooting
Local (12 May 2013) Shooting

Shopping centre

Shopping centre. Until qanat Rakukita 784m
Until qanat Rakukita 784m

Supermarket

Supermarket. 211m to Cope Shimogamo
211m to Cope Shimogamo



Location